Dayi Odin nach Regen kein Strom mehr
-
- Beiträge: 20
- Registriert: So 16. Jul 2023, 06:34
- Roller: Odin
- PLZ: 3
- Kontaktdaten:
Dayi Odin nach Regen kein Strom mehr
Hallo,
nachdem ich heute mit meiner Odin 3.0 im Regen gefahren bin und sie wieder anmachen wollte, hat es am Lenker (in der Kanzel) kurz geknistert und dann war alles an Elektrik aus. Nur das Display funktioniert noch. Der Hauptschalter hat nicht ausgelöst unter dem Sitz und die Batterie hat auch noch 80v Spannung nach durchmessen. In der Kanzel an dem Kabelbaum war sehr viel Wasser welches ich so gut wie möglich abgetrocknet habe. Aber leider hab ich trotzdem kein Strom.
Zufällig jemand ne Idee, was jetzt abgeraucht ist?
Viele Grüße
Rossi
nachdem ich heute mit meiner Odin 3.0 im Regen gefahren bin und sie wieder anmachen wollte, hat es am Lenker (in der Kanzel) kurz geknistert und dann war alles an Elektrik aus. Nur das Display funktioniert noch. Der Hauptschalter hat nicht ausgelöst unter dem Sitz und die Batterie hat auch noch 80v Spannung nach durchmessen. In der Kanzel an dem Kabelbaum war sehr viel Wasser welches ich so gut wie möglich abgetrocknet habe. Aber leider hab ich trotzdem kein Strom.
Zufällig jemand ne Idee, was jetzt abgeraucht ist?
Viele Grüße
Rossi
- Falcon
- Beiträge: 2378
- Registriert: Mo 25. Sep 2023, 15:12
- Roller: Benzhou YY50QT6
- PLZ: 79
- Wohnort: Deutschland/France
- Tätigkeit: Kraftfahrzeug-Mechaniker
Meister
First Nation Indigener
Foundation Mitarbeiter - Kontaktdaten:
Re: Dayi Odin nach Regen kein Strom mehr
hmm...
womöglich nen kurzen in den steckern und kabelbaum?
ich hatte das mal früher an meiner kawa, da hatte ich zerbrutzelte kontakte im kontaktstecker vom hauptkabelbaum rauf zu den instrumenten.
ausgeblasen, getrocknet und einige kontakt-fähnchen erneuert. danach habe ich alles mit kaltschweisband umwickelt.
du hast ne menge arbeit vor dir, wo der fehler liegt, wirst du rausfinden müssen, idem alles trocken ist, den kabelbaum evtl. weiter unten aufschlitzen, damit feuchtigkeit/wasser raus kann, die kontakte ebenso frei von wasser und restfeuchtigkeit machen.
danach alles kontrollieren, sichtprüfung machen.....dann sieht man weiter.
vg und viel glück
womöglich nen kurzen in den steckern und kabelbaum?
ich hatte das mal früher an meiner kawa, da hatte ich zerbrutzelte kontakte im kontaktstecker vom hauptkabelbaum rauf zu den instrumenten.
ausgeblasen, getrocknet und einige kontakt-fähnchen erneuert. danach habe ich alles mit kaltschweisband umwickelt.
du hast ne menge arbeit vor dir, wo der fehler liegt, wirst du rausfinden müssen, idem alles trocken ist, den kabelbaum evtl. weiter unten aufschlitzen, damit feuchtigkeit/wasser raus kann, die kontakte ebenso frei von wasser und restfeuchtigkeit machen.
danach alles kontrollieren, sichtprüfung machen.....dann sieht man weiter.
vg und viel glück
- didithekid
- Beiträge: 6945
- Registriert: So 6. Mai 2018, 06:15
- Roller: div. L3e-Roller (80-97 km/h), ZERO SR/F
- PLZ: 53757
- Wohnort: Sankt Augustin - Menden
- Tätigkeit: Ingenieur im Staatsdienst
- Kontaktdaten:
Re: Dayi Odin nach Regen kein Strom mehr
Hallo,
so gar keinen Strom kann das Bike ja offenbar nicht haben, wenn das Display noch leuchtet. Wie sieht es mit Beleuchtung und Hupe aus, alles Tod? Oder nur der Strang vom Motor-Controller?
Wenn kein Licht an geht, kam das Knistern vermutlich vom 12-Volt - Konverter oder dessen Zuleitung.
Viel Elektronik ist in der Odin ja meiner Erkenntnis nach nicht drin.
Viele Grüße
Didi
so gar keinen Strom kann das Bike ja offenbar nicht haben, wenn das Display noch leuchtet. Wie sieht es mit Beleuchtung und Hupe aus, alles Tod? Oder nur der Strang vom Motor-Controller?
Wenn kein Licht an geht, kam das Knistern vermutlich vom 12-Volt - Konverter oder dessen Zuleitung.
Viel Elektronik ist in der Odin ja meiner Erkenntnis nach nicht drin.
Viele Grüße
Didi
__________________________________________________________________________________________________________________________Thunder-Fury100/ MASINI Sportivo S (2010, 2011, 2012) 5kW, Innoscooter EM6000L 5kW (2011), ZERO SR/F 17.3 (2023)
-
- Beiträge: 20
- Registriert: So 16. Jul 2023, 06:34
- Roller: Odin
- PLZ: 3
- Kontaktdaten:
Re: Dayi Odin nach Regen kein Strom mehr
Vielen Dank erstmal für die Ratschläge. Also so wie ich es sehe, sind "nur" die 12v nicht mehr da. Das Display wird glaub ich mit den max 80v von der Batterie gespeist, wenn ich nicht falsch liege. Wenn ich das hinterrad drehe, wird auch ne Geschwindigkeit angezeigt.
- jeff-jordan
- Beiträge: 1214
- Registriert: Sa 16. Mai 2020, 08:47
- Roller: Classico LI & Z-Odin
- PLZ: 6...
- Tätigkeit: Dem Inschenjöhr is nix zu schwöhr...
- Kontaktdaten:
Re: Dayi Odin nach Regen kein Strom mehr
Ich nehme mal an, dass auf der 12V Seite irgendwo ein Kurzschluss war/ist, weshalb es nach dem Einschalten dann auch unterm Cockpit "geknistert" hat.
Schau mal nach dem Stecker für den Scheinwerfer und klemm' den ggf. mal ab (falls der Kurzschluss beim Scheinwerfer ist).
Eine weitere Fehlerquelle wäre das elektronische LED Blinkrelais (das Teil, was wie ein USB Stick ausschaut).
Normalerweise sollte der 12V Wandler in der E-Odin kurzschlussfest sein, d.h. sobald der Kurzschluss beseitigt ist, sollten die 12V wieder da sein.
Aber was ist bei einem chinesischen E-Motorrad schon normal
.
Schau mal nach dem Stecker für den Scheinwerfer und klemm' den ggf. mal ab (falls der Kurzschluss beim Scheinwerfer ist).
Eine weitere Fehlerquelle wäre das elektronische LED Blinkrelais (das Teil, was wie ein USB Stick ausschaut).
Normalerweise sollte der 12V Wandler in der E-Odin kurzschlussfest sein, d.h. sobald der Kurzschluss beseitigt ist, sollten die 12V wieder da sein.
Aber was ist bei einem chinesischen E-Motorrad schon normal

Classico Li 05/2020 11 000+ km & Z-Odin 12/2021 33 000+ km 

- didithekid
- Beiträge: 6945
- Registriert: So 6. Mai 2018, 06:15
- Roller: div. L3e-Roller (80-97 km/h), ZERO SR/F
- PLZ: 53757
- Wohnort: Sankt Augustin - Menden
- Tätigkeit: Ingenieur im Staatsdienst
- Kontaktdaten:
Re: Dayi Odin nach Regen kein Strom mehr
Hallo jeff-jordan,
werden bei Euren ODINs volle 80 Volt über das Zündschloss geschaltet? - oder gibt es dafür ein Relais?
Bei so einem kapitalen Ausfall, würde ich die Seite mit Batterie-Spannung (eher) im Verdacht haben, dass dort durch Regenwasser-Rückstau ein Funken-/Lichtbogenfraß in einer Steckverbindung entstanden ist. Je nachdem, ob Zündschloss, Relais oder BMS die Batteriespannung ins Fahrzeug schaltet. wäre der Suchort ein anderer, ab dem ein Problem entstanden sein könnte. Zumindest bis zum Abzweig (Leitung 1) der Batteriespannung zum Display scheint alles in Takt zu sein.
Dahinter werden sich - meiner Annahme der üblichen Bauart nach - noch zwei weitere Zündungs-Plus-Leitungen teilen. 2. die zum DC/DC-Konverter für 12 Volt und 3. die zum E-Lock-Eingang des Motor-Controllers, um diesen zu aktivieren.
Die dicke über die Schutzschalter-Sicherung abgesicherte Fahrstromleitung (Plus) wird vermutlich kein Problem haben. Es reicht ja, dass die Einschalt-Spannung (E-Lock-Eingang) am Controller wegfällt, um dem Motor-Controller komplett abzuschalten. Der Motor arbeitet hier ja offensichtlich nicht.
Kein Licht, keine Hupe und keine Motorfunktion, könnte (wenn alles am gleichen Fehler liegt) von einem Kontaktverlust zwischen Abzweig Leitung 1 und der Teilung Leitung 2 und 3 entstanden sein.
Vielleicht weiß jemand, ob es da Steckverbindungen im/am Kabelbaum gibt. oder was im Zündschloss alles geschaltet wird?
Viele Grüße
Didi
werden bei Euren ODINs volle 80 Volt über das Zündschloss geschaltet? - oder gibt es dafür ein Relais?
Bei so einem kapitalen Ausfall, würde ich die Seite mit Batterie-Spannung (eher) im Verdacht haben, dass dort durch Regenwasser-Rückstau ein Funken-/Lichtbogenfraß in einer Steckverbindung entstanden ist. Je nachdem, ob Zündschloss, Relais oder BMS die Batteriespannung ins Fahrzeug schaltet. wäre der Suchort ein anderer, ab dem ein Problem entstanden sein könnte. Zumindest bis zum Abzweig (Leitung 1) der Batteriespannung zum Display scheint alles in Takt zu sein.
Dahinter werden sich - meiner Annahme der üblichen Bauart nach - noch zwei weitere Zündungs-Plus-Leitungen teilen. 2. die zum DC/DC-Konverter für 12 Volt und 3. die zum E-Lock-Eingang des Motor-Controllers, um diesen zu aktivieren.
Die dicke über die Schutzschalter-Sicherung abgesicherte Fahrstromleitung (Plus) wird vermutlich kein Problem haben. Es reicht ja, dass die Einschalt-Spannung (E-Lock-Eingang) am Controller wegfällt, um dem Motor-Controller komplett abzuschalten. Der Motor arbeitet hier ja offensichtlich nicht.
Kein Licht, keine Hupe und keine Motorfunktion, könnte (wenn alles am gleichen Fehler liegt) von einem Kontaktverlust zwischen Abzweig Leitung 1 und der Teilung Leitung 2 und 3 entstanden sein.
Vielleicht weiß jemand, ob es da Steckverbindungen im/am Kabelbaum gibt. oder was im Zündschloss alles geschaltet wird?
Viele Grüße
Didi
__________________________________________________________________________________________________________________________Thunder-Fury100/ MASINI Sportivo S (2010, 2011, 2012) 5kW, Innoscooter EM6000L 5kW (2011), ZERO SR/F 17.3 (2023)
- Amp_Sauger
- Beiträge: 114
- Registriert: Mo 30. Aug 2021, 18:06
- Roller: E-Odin 2.0
- PLZ: 44287
- Wohnort: Do
- Kontaktdaten:
Re: Dayi Odin nach Regen kein Strom mehr
Hallo
Ich meine mich erinnern zu können das in unserm Handbuch ein kleiner Schaltplan ist.
Bin gerade nicht zuhause um nachschauen zu können.
Ich meine mich erinnern zu können das in unserm Handbuch ein kleiner Schaltplan ist.
Bin gerade nicht zuhause um nachschauen zu können.
-
- Beiträge: 20
- Registriert: So 16. Jul 2023, 06:34
- Roller: Odin
- PLZ: 3
- Kontaktdaten:
Re: Dayi Odin nach Regen kein Strom mehr
Werde am Wochenende mal alles durchmessen und anschauen.
Dieser Konverter wandelt doch die 80v in 12v um, oder? Vielleicht ist der auch nur durchgebrannt, wodurch auch immer.
Dieser Konverter wandelt doch die 80v in 12v um, oder? Vielleicht ist der auch nur durchgebrannt, wodurch auch immer.
- Falcon
- Beiträge: 2378
- Registriert: Mo 25. Sep 2023, 15:12
- Roller: Benzhou YY50QT6
- PLZ: 79
- Wohnort: Deutschland/France
- Tätigkeit: Kraftfahrzeug-Mechaniker
Meister
First Nation Indigener
Foundation Mitarbeiter - Kontaktdaten:
Re: Dayi Odin nach Regen kein Strom mehr
ich würde erst mal den akku abhängen, und alles trocknen lassen.
danach schauen wo der kurze entstanden ist, da müssen irgendwo spuren an den kontakte oder kabel sein (verbreannt, zunder, verschmorter kunststoff, etc.)
dann kann man sagen es liegt an dem und dem teil, vielleicht identifiziert man zusätzlich noch andere komponenten.
viel glück und schöne wochenende
danach schauen wo der kurze entstanden ist, da müssen irgendwo spuren an den kontakte oder kabel sein (verbreannt, zunder, verschmorter kunststoff, etc.)
dann kann man sagen es liegt an dem und dem teil, vielleicht identifiziert man zusätzlich noch andere komponenten.
viel glück und schöne wochenende

- Falcon
- Beiträge: 2378
- Registriert: Mo 25. Sep 2023, 15:12
- Roller: Benzhou YY50QT6
- PLZ: 79
- Wohnort: Deutschland/France
- Tätigkeit: Kraftfahrzeug-Mechaniker
Meister
First Nation Indigener
Foundation Mitarbeiter - Kontaktdaten:
Re: Dayi Odin nach Regen kein Strom mehr
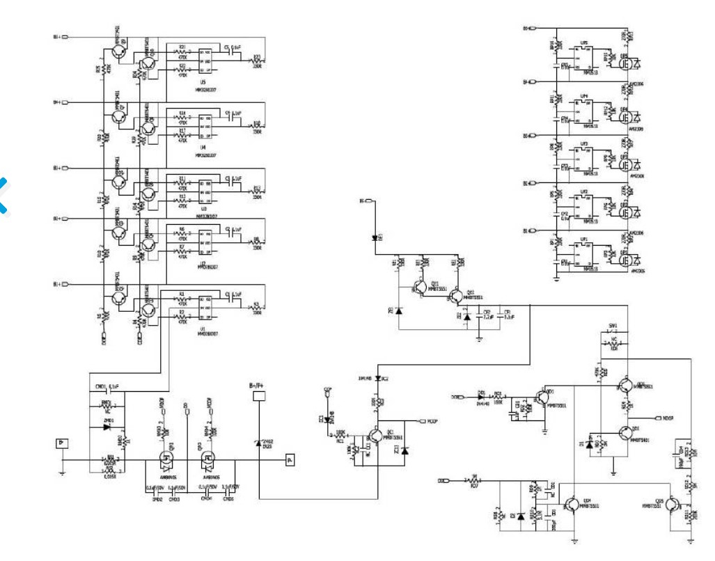
das konnte ich finden:
-
-
Wer ist online?
Mitglieder in diesem Forum: 0 Mitglieder und 7 Gäste