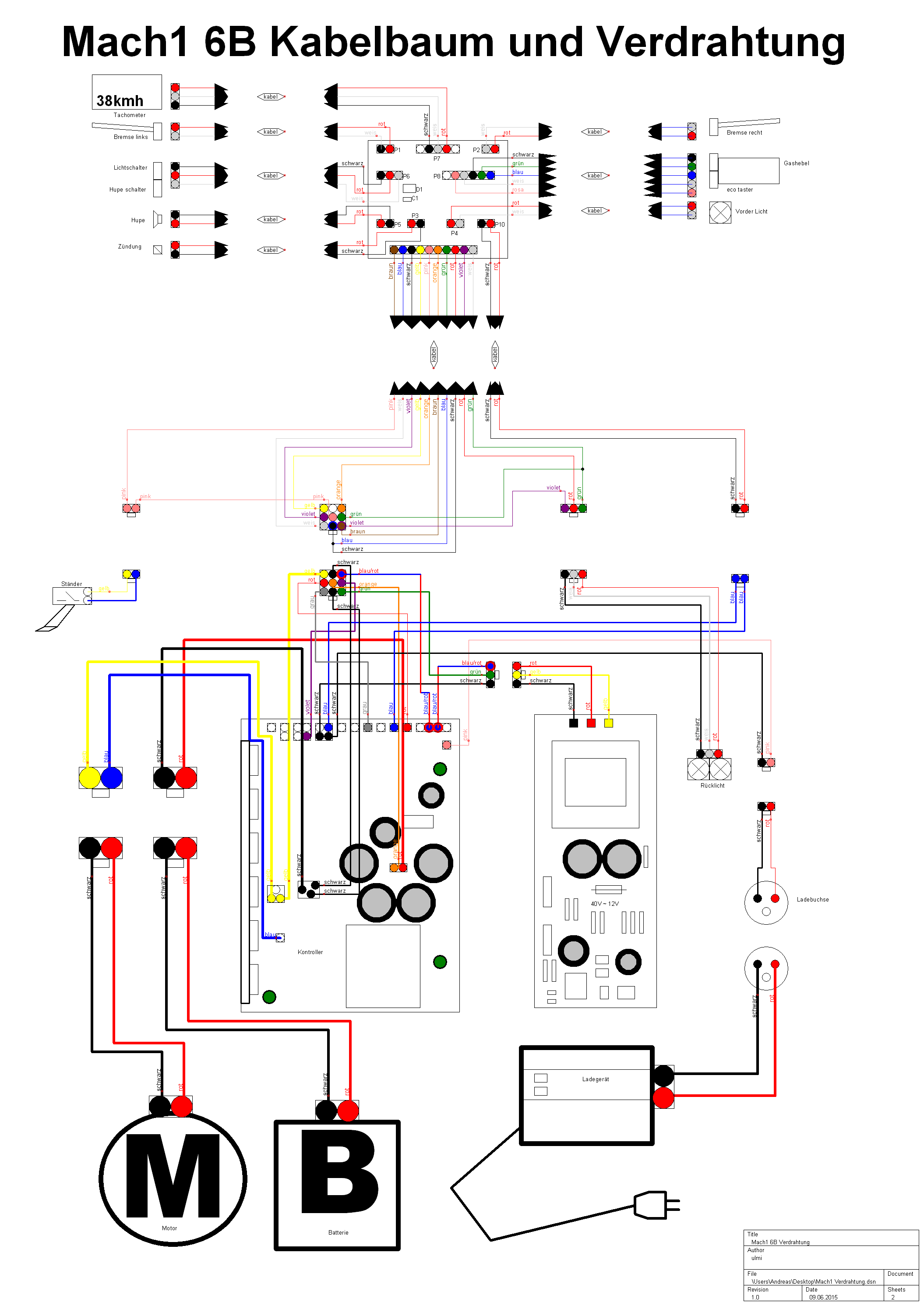
Ich habe das Problem das mein Vorderlicht nicht geht. Wenn ich es einstecke gehen 12V auf den Motor und das Rücklicht geht auch nicht mehr. Ohne eingestecktes Vorderlicht funktioniert mein Mach1 einwandfrei.



Ich habe nun mal die ganze Verdrahtung meines Mach1 aufgezeichnet, vielleicht findet hier so jemand denn Fehler.
Wie schon gesagt das Vordere Licht geht nicht sobald ich es einstecke und den schalter betätige geht Strom auf den Motor, ich nehme an die 12V vom Vorderlicht sind auf den Motor geschaltet.
- Ohne das eingesteckte Licht kann ich fahren, und das Rücklicht funktioniert einwand frei.
- Mit eingestecktem Licht geht auch alle einwandfrei ausser halt eben wenn ich das Licht einschalte dann geht nichts mehr.
Ich habe keine Ahnung wo der fehler liegt da ich auch kein Scooter zum vergleichen habe.





Ich hoffe ihr könnt mir helfen.
ulmi