
Gewicht des Akkus bei, Jupiter
-
- Beiträge: 6516
- Registriert: Sa 6. Aug 2011, 10:04
- Roller: E-Max 90s, E-Max 110s, E-Max 120s
- PLZ: 2
- Kontaktdaten:
Re: Gewicht des Akkus bei, Jupiter
Last but not least: Für einen LFP Akku ist ein ein Coulombmeter unabdingbar. Glücklicherweise ist ein solches im JK BMS integriert 

E-Max 90s von 2012 - Vmax>46km/h - km-Stand >5150 - 16x Littokala 51,2V 105Ah = 5kWh. JK-B1A24S15P - Sevcon Gen4
E-Max 110s von 2010 - Vmax>50km/h - km-Stand >1.800 - 4x Littokala 72V 50Ah = 14,4kWh
E-Max 120s von 2015 - Vmax 80km/h - TÜV 03.2026 - 72V100Ah LFP-Akku - JK-B2A24S15P Balancer BT - MQ Controller BT
E-Max 110s von 2010 - Vmax>50km/h - km-Stand >1.800 - 4x Littokala 72V 50Ah = 14,4kWh
E-Max 120s von 2015 - Vmax 80km/h - TÜV 03.2026 - 72V100Ah LFP-Akku - JK-B2A24S15P Balancer BT - MQ Controller BT
-
- Beiträge: 147
- Registriert: Mo 28. Jan 2019, 17:09
- Roller: Trinity Jupiter
- PLZ: 24
- Kontaktdaten:
Re: Gewicht des Akkus bei, Jupiter
Ich habe mal mehr oder weniger aus Spaß 2 Trafos mit je 2 x 18 V sekundär in Reihe geschaltet (hatte ich noch rumliegen) und mit einem Brückengleichrichter versehen. Die Trafos schaffen ca 3 A, die Leerlaufspannung liegt bei über 100 v (Nennspannung mal Wurzel 2). Ich hatte noch eine 12V H4 Autoscheinwerferlampe dazu in Reihe geschaltet, weil sonst die Trafos zu heiß wurde. Damit habe ich die Akkus bei vorzeitigem Abschalten des Standardladegerätes nochmal vollgeladen. Die BMS in den 6 Einzelakkus haben dann irgendwann komplett abgeschaltet, die H4 Lampe war dann aus.Ich weiß allerdings nicht mehr bei welcher Spannung. Auch damit könnte man noch den kleinen Rest zum gelegentlichen Balancieren reindrücken. Werde ich demnächst nochmal probieren und berichten.
Diesen Sommer will ich die alten Akkus noch nutzen und zum Herbst/Winter den Umbau wagen. Noch ein neues Ladegerät will ich mir erstmal nicht leisten, das originale eingebaute ist mir vor ca 1/2 Jahr durchgeschmort.
Diesen Sommer will ich die alten Akkus noch nutzen und zum Herbst/Winter den Umbau wagen. Noch ein neues Ladegerät will ich mir erstmal nicht leisten, das originale eingebaute ist mir vor ca 1/2 Jahr durchgeschmort.
-
- Beiträge: 54
- Registriert: Sa 15. Jun 2024, 21:49
- Roller: Trinity Jupiter
- PLZ: 49
- Land: A
- Kontaktdaten:
Re: Gewicht des Akkus bei, Jupiter
Hallo
Für das " Vollladen " habe ich einnen Solarregler mit ca 300 W PV Platte . Den Regler kann man die Spannung einstellen und mit max 350 W werden die Akkus langsam geladen .
https://de.aliexpress.com/item/10050067 ... pt=glo2deu
Ernst
Für das " Vollladen " habe ich einnen Solarregler mit ca 300 W PV Platte . Den Regler kann man die Spannung einstellen und mit max 350 W werden die Akkus langsam geladen .
https://de.aliexpress.com/item/10050067 ... pt=glo2deu
Ernst
- Schnabelwesen
- Moderator
- Beiträge: 2207
- Registriert: So 14. Mär 2021, 22:18
- Roller: E-Kuma Sun S / Trinity Neptun
- PLZ: 2411
- Wohnort: Kiel
- Tätigkeit: Werkstatt für E-Roller und Artverwandte als
Kleinunternehmen tl-elekTiCK - ein Tick für Tricks - Kontaktdaten:
Re: Gewicht des Akkus bei, Jupiter
So ein Equipment hätte ich auch noch. Aber dafür braucht man zwei sehr sonnige Tage.
Bei Sonne zu Hause lade ich mit der PV-Anlage auf dem Dach.
Was die Ladeabschaltung betrifft: Zunächst hatte er bei 81-81,3V abgeschaltet. Nach mehrmaligem Start in größeren Abständen lag es schon 1V höher. Die Anzeige im Roller springt dann manchmal zwischen z.B. 82,3 und 82,6V hin und her.
Ich werde die einzelnen Blöcke mal nachmessen und auch Ladegeräte und Voltmeter überprüfen.
Die von Dominik vorgeschlagene Methode mit zwei Ladern in Reihe kommt auch in Frage.
Was mir bisher nicht einleuchtet, ist die Annahme, dass das Ladegerät abschaltet, wenn ein BMS eine volle Batterie signalisiert. Das Ladegerät "sieht" doch die Gesamtspannung der parallel geschalteten Module. Eigentlich müsste es auch dann noch laden, wenn nur ein Akku nicht voll ist. Wo ist der Denkfehler?
Schöne Grüße, Bertolt
E-Kuma Sun-S 2022 - Scheibe, Topcase, Heidenau K58
ATU Explorer E-Cruzer 2019 - 40Ah, Lingbo 72152HK5 mit Display, Scheibe, City Grip 2
Trinity Neptun - GTK-Doppelakku á 20s10p, smartes BMS, LingBo 72152
Trinity Uranus 2015 - 28Ah LiIon (in Wartestellung)
Vectrix VX-1 von 2010 - LiIonNMC 36s 173Ah mit Daly Smart-BMS in Arbeit
ATU Explorer E-Cruzer 2019 - 40Ah, Lingbo 72152HK5 mit Display, Scheibe, City Grip 2
Trinity Neptun - GTK-Doppelakku á 20s10p, smartes BMS, LingBo 72152
Trinity Uranus 2015 - 28Ah LiIon (in Wartestellung)
Vectrix VX-1 von 2010 - LiIonNMC 36s 173Ah mit Daly Smart-BMS in Arbeit
-
- Beiträge: 147
- Registriert: Mo 28. Jan 2019, 17:09
- Roller: Trinity Jupiter
- PLZ: 24
- Kontaktdaten:
Re: Gewicht des Akkus bei, Jupiter
Meine Vermutung: Wenn ein Block vorzeitig abschaltet sinkt der vom Ladegerät gelieferte Strom augenblicklich. Das "interpretiert" das LG möglicherweise als "Batterie voll" oder so ähnlich. Dieser Effekt ist übrigens bei meinem Roller gelegentlich schon im ersten Jahr aufgetreten. Einmal hat es sogar schon bei etwa der Hälfte abgeschaltet. Bei dieser Gelegenheit habe ich das LG wieder mit meiner Sicherungsabschaltung mit laufendem Motor wieder resetten können.
-
- Beiträge: 54
- Registriert: Sa 15. Jun 2024, 21:49
- Roller: Trinity Jupiter
- PLZ: 49
- Land: A
- Kontaktdaten:
Re: Gewicht des Akkus bei, Jupiter
Hallo
Der Akku und das Ladegerät haben NUR die DC Stromverbindung . Die können nicht miteinanter Reden . Ich gehe davon aus das der Lader beim unterschreiten eines " Mindeststrom " abschaltet ,oder beim plötzlichen Leistungsabfall . Die 4 -6 BMS der Akkus werden unterschiedlich abschalten . So könnte der Ausgleichstrom von 2-3 Blöcken nicht ausreichen um den Lader eine Ladung zu signalisieren . Oder das relatief gleichzeitigen Abschalten von 2 - 3 Blöcken .
Ich habe auch beobachtet das die Spannung ( bei nicht vollständiger Ladung ca.82.1 V ) über Nacht etwas abgefallen ist . Da könnte ein Ausgleich der Blöcken erfolgen . Ein läd den anderen . Vermute auch das das bei der Planung nicht bedacht wurden und der Akku als ein Blöck betrachtet wurde .
Ernst
Der Akku und das Ladegerät haben NUR die DC Stromverbindung . Die können nicht miteinanter Reden . Ich gehe davon aus das der Lader beim unterschreiten eines " Mindeststrom " abschaltet ,oder beim plötzlichen Leistungsabfall . Die 4 -6 BMS der Akkus werden unterschiedlich abschalten . So könnte der Ausgleichstrom von 2-3 Blöcken nicht ausreichen um den Lader eine Ladung zu signalisieren . Oder das relatief gleichzeitigen Abschalten von 2 - 3 Blöcken .
Ich habe auch beobachtet das die Spannung ( bei nicht vollständiger Ladung ca.82.1 V ) über Nacht etwas abgefallen ist . Da könnte ein Ausgleich der Blöcken erfolgen . Ein läd den anderen . Vermute auch das das bei der Planung nicht bedacht wurden und der Akku als ein Blöck betrachtet wurde .
Ernst
-
- Beiträge: 2959
- Registriert: Di 11. Dez 2012, 09:12
- Roller: E-Rider Thunder/Masini Extremo / RIP Huari HRTK122
- PLZ: 79
- Tätigkeit: Elektromeister
- Kontaktdaten:
Re: Gewicht des Akkus bei, Jupiter
Viele Lader schalten bei 10% vom Nennstrom ab.
Meine zwei chinesischen 10A Lader haben beide bei knapp über 1A abgeschaltet und Akku voll signalisiert.
Bei 50% SOC dürfte aber keine Abschaltung erfolgen, selbst wenn eines der BMS, warum auch immer, frühzeitig abschaltet.
Meine zwei chinesischen 10A Lader haben beide bei knapp über 1A abgeschaltet und Akku voll signalisiert.
Bei 50% SOC dürfte aber keine Abschaltung erfolgen, selbst wenn eines der BMS, warum auch immer, frühzeitig abschaltet.
Masini Extremo Neuaufbau 2021 7,7kwh Li-NMC Fardriver ND721800 400bA 1400pA >30kW
41-58,5V CC/CV Lader mit 1-4,3kW zu verkaufen 0,65-2,2kg klein, leicht, langlebig, auch im Duo mit 82-117V nutzbar
41-58,5V CC/CV Lader mit 1-4,3kW zu verkaufen 0,65-2,2kg klein, leicht, langlebig, auch im Duo mit 82-117V nutzbar
- error
- Beiträge: 2013
- Registriert: Di 20. Dez 2022, 19:37
- PLZ: 2
- Kontaktdaten:
Re: Gewicht des Akkus bei, Jupiter
Vorweg: ich weiß, ich bin anstrengend, das höre ich öfter
- Aber vielleicht interessiert es jemand was ich herausgefunden habe.
Bei mir sind die defekten Akkus aus dem einen Jupiter von @Schnabelwesen gelandet. Ich wollte schauen was sich davon verwerten lässt und woran die Akkus gestorben sind.
Aufgrund des identischen Fehlerbildes der einzelnen Akkus habe ich die BMS genauer unter die Lupe genommen und versucht die Schaltung zu analysieren. Sorry, das wird jetzt etwas länger.
Das BMS ist recht einfach aufgebaut: zwei Reihen FETs, eine große Doppeldiode als Verpolungsschutz, 4 identische 20polige Chips und Kleinkram. Was mich gewundert hatte war die Zusammenschaltung der Chips und das Fehlen jeglicher DC-Wandler und Prozessoren, keine diskret aufgebaute Balancerschaltung. Überhaupt: ziemlich wenig Teile für ein 20S BMS.
Es war auch nicht leicht aufgrund der SMD-Codierung den Hersteller bzw. ein Datenblatt zu finden. Der Hersteller des BMS war schnell zu finden. Dort kommt man allerdings nicht weiter, es gibt nur bauähnliche BMS und keine brauchbaren Angaben.
http://www.superpowertech.com/en/
Das Datenblatt des Chips konnte ich dann über google Translate über ein chinesisches Forum finden.
https://mm.digikey.com/Volume0/opasdata ... ations.pdf
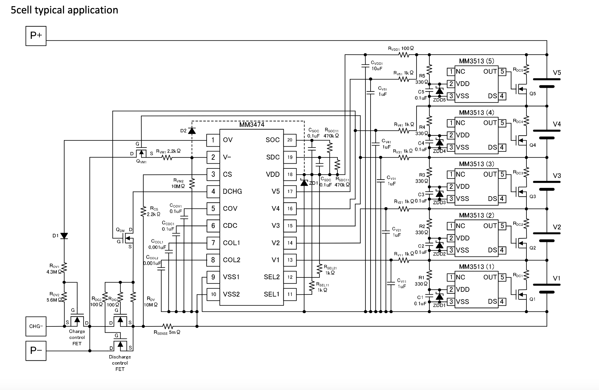
Die Beispielschaltung für 10S aus dem Datenblatt passt bis auf den Teil mit dem Chargeport 1:1 zum BMS. Die Platine sieht diesen immerhin optional vor.
Ich hatte mich schon vorher über die 1kOhm Widerstände gewundert und wie die Chips kaskadiert zusammmengeschaltet sind.
Und tatsächlich, im Datenblatt steht "das Teil hat tatsächlich keinen Balancer"
Ich meine OK, gibt hier im Forum sicher noch einige mehr, die Datenblätter und Schaltungen "lesen" können, aber ich habe mir dann auch die Blockschaltbilder mehrmals angesehen: egal wie man es dreht, da kann auch nichts "im Chip verborgen sein", mit der externen Schaltung lässt sich kein Balancer realisieren (ist jedenfalls Meine Meinung). Vielleicht schaut mal jemand anders drauf?
Wenn das stimmt, solltet ihr noch mal über eine Parallelschaltung und die Ladetipps von sowas nachdenken. Das BMS kann nur over/undervoltage der einzelnen Zellen erkennen und auf Overcurrent reagieren, Die zwei Thermofühler sind lächerlich. Einer ist unter die FETs geklemmt, der andere baumelt irgendwo locker zwischen den Zellen.
Ich weiß, ich bin anstrengend, aber wer verzapft sowas?

Bei mir sind die defekten Akkus aus dem einen Jupiter von @Schnabelwesen gelandet. Ich wollte schauen was sich davon verwerten lässt und woran die Akkus gestorben sind.
Aufgrund des identischen Fehlerbildes der einzelnen Akkus habe ich die BMS genauer unter die Lupe genommen und versucht die Schaltung zu analysieren. Sorry, das wird jetzt etwas länger.
Das BMS ist recht einfach aufgebaut: zwei Reihen FETs, eine große Doppeldiode als Verpolungsschutz, 4 identische 20polige Chips und Kleinkram. Was mich gewundert hatte war die Zusammenschaltung der Chips und das Fehlen jeglicher DC-Wandler und Prozessoren, keine diskret aufgebaute Balancerschaltung. Überhaupt: ziemlich wenig Teile für ein 20S BMS.
Es war auch nicht leicht aufgrund der SMD-Codierung den Hersteller bzw. ein Datenblatt zu finden. Der Hersteller des BMS war schnell zu finden. Dort kommt man allerdings nicht weiter, es gibt nur bauähnliche BMS und keine brauchbaren Angaben.
http://www.superpowertech.com/en/
Das Datenblatt des Chips konnte ich dann über google Translate über ein chinesisches Forum finden.
https://mm.digikey.com/Volume0/opasdata ... ations.pdf
Die Beispielschaltung für 10S aus dem Datenblatt passt bis auf den Teil mit dem Chargeport 1:1 zum BMS. Die Platine sieht diesen immerhin optional vor.
Ich hatte mich schon vorher über die 1kOhm Widerstände gewundert und wie die Chips kaskadiert zusammmengeschaltet sind.
Und tatsächlich, im Datenblatt steht "das Teil hat tatsächlich keinen Balancer"
Ich meine OK, gibt hier im Forum sicher noch einige mehr, die Datenblätter und Schaltungen "lesen" können, aber ich habe mir dann auch die Blockschaltbilder mehrmals angesehen: egal wie man es dreht, da kann auch nichts "im Chip verborgen sein", mit der externen Schaltung lässt sich kein Balancer realisieren (ist jedenfalls Meine Meinung). Vielleicht schaut mal jemand anders drauf?
Wenn das stimmt, solltet ihr noch mal über eine Parallelschaltung und die Ladetipps von sowas nachdenken. Das BMS kann nur over/undervoltage der einzelnen Zellen erkennen und auf Overcurrent reagieren, Die zwei Thermofühler sind lächerlich. Einer ist unter die FETs geklemmt, der andere baumelt irgendwo locker zwischen den Zellen.
Ich weiß, ich bin anstrengend, aber wer verzapft sowas?
- didithekid
- Beiträge: 6968
- Registriert: So 6. Mai 2018, 06:15
- Roller: div. L3e-Roller (80-97 km/h), ZERO SR/F
- PLZ: 53757
- Wohnort: Sankt Augustin - Menden
- Tätigkeit: Ingenieur im Staatsdienst
- Kontaktdaten:
Re: Gewicht des Akkus bei, Jupiter
Hallo error,
Na Ja, das ist doch eine BMS-Entwicklung aus einer "Frühen Periode". Davor gab es in den Rollern (sofern nicht Blei) meist LiFePO4-Akkus mit BMS vom Typ Daisy Chain-Architektur womit nur Relais geschaltet werden konten (ohne Balancing). Auf den großen LFP-Blöcken wurden dann zusätzlich Lastmodule intalliert, die beim Laden die Zellüberspannung über einen Lastwiderstand abbauten. Da hat dann zwar ein paar Jahre lang eine Art von Balancing stattgefunden. Aber von den 24 Lastmodulen in einem meiner Roller waren schließlich drei defekt, dass der Stromduchfluss zum Lastwiderstand nicht mehr gestoppt wurde, als die Spannung abgefallen war. Ergebnis; drei tote (tiefentladene) Winston-Blockzellen.
Ich kann nur mutmaßen: Aber das war vielliecht eine Zeit, wo man in der Folgeentwicklung mit LiIon-Batterietechnik, die (dort weniger notwendige) Ballancing-Stufe lieber ganz weggelassen hat, als sich weiteres Ausfallrisiko damit aufzuhalsen.
Jetzt ist man da ja weit zuverlässiger unterwegs, als zu diesen "wilden Zeiten" und sowohl Akku als auch die BMS-Elektronik hat eine höhere Lebensdauer.
Viele Grüße
Didi
Na Ja, das ist doch eine BMS-Entwicklung aus einer "Frühen Periode". Davor gab es in den Rollern (sofern nicht Blei) meist LiFePO4-Akkus mit BMS vom Typ Daisy Chain-Architektur womit nur Relais geschaltet werden konten (ohne Balancing). Auf den großen LFP-Blöcken wurden dann zusätzlich Lastmodule intalliert, die beim Laden die Zellüberspannung über einen Lastwiderstand abbauten. Da hat dann zwar ein paar Jahre lang eine Art von Balancing stattgefunden. Aber von den 24 Lastmodulen in einem meiner Roller waren schließlich drei defekt, dass der Stromduchfluss zum Lastwiderstand nicht mehr gestoppt wurde, als die Spannung abgefallen war. Ergebnis; drei tote (tiefentladene) Winston-Blockzellen.
Ich kann nur mutmaßen: Aber das war vielliecht eine Zeit, wo man in der Folgeentwicklung mit LiIon-Batterietechnik, die (dort weniger notwendige) Ballancing-Stufe lieber ganz weggelassen hat, als sich weiteres Ausfallrisiko damit aufzuhalsen.
Jetzt ist man da ja weit zuverlässiger unterwegs, als zu diesen "wilden Zeiten" und sowohl Akku als auch die BMS-Elektronik hat eine höhere Lebensdauer.
Viele Grüße
Didi
__________________________________________________________________________________________________________________________Thunder-Fury100/ MASINI Sportivo S (2010, 2011, 2012) 5kW, Innoscooter EM6000L 5kW (2011), ZERO SR/F 17.3 (2023)
- error
- Beiträge: 2013
- Registriert: Di 20. Dez 2022, 19:37
- PLZ: 2
- Kontaktdaten:
Re: Gewicht des Akkus bei, Jupiter
Ja, sicher aber es hat damals definitiv die Option auf externe Balancer gegebendidithekid hat geschrieben: ↑Mo 21. Apr 2025, 23:19Na Ja, das ist doch eine BMS-Entwicklung aus einer "Frühen Periode".
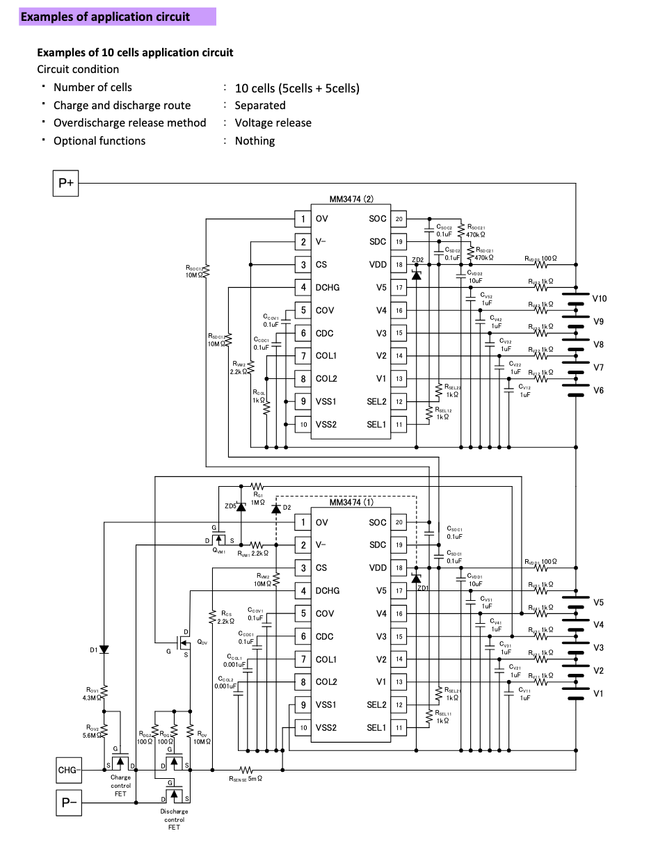
https://media.digikey.com/pdf/Data%20Sh ... ations.pdf
So hätte die Schaltung mit dem im Jupiter verwendeten Chip dann ausgesehen.
Aufändiger, aber es wäre machbar gewesen. Im Grunde hätte der BMS Hersteller auch nur die Beispielschaltung 1:1 umsetzen müssen. Es gab also die nötigen Bauteile zu kaufen. Vermutlich aber leider nicht "ab Regal in China" als 20S BMS. Wer weiß ob das jemand bei Trinity bewusst war?
Edit: ich hatte mich nur gewundert warum die 3 von mir zerlegten Akkus diverse abgeblasene Zellen hatten und 80% der Zellblöcke zwar erhöhte Widerstandswerte, also Verschleiß, aufwiesen, aber der Ladezustand teilweise über 4,2V lag, obwohl bei 2 Akkus jeweils Zellblöcke bei 0V lagen. Beim dritten Akku war ein Zellblock auf 0,9V entladen.
Dieses Fehlerbild kann nicht schlagartig entstanden sein. Meiner Meinung nach ließen sich die Akkus laden bis die defekten Zellblöcke unter maxdischarge gefallen waren. Dementsprechend haben einige Blöcke mehr abbekommen weil das BMS die Balance nicht erkennen kann und von aussen volle Ladespannung anliegt.
Schon bitter sowas.
Zuletzt geändert von error am Mo 21. Apr 2025, 23:53, insgesamt 4-mal geändert.
Wer ist online?
Mitglieder in diesem Forum: 0 Mitglieder und 12 Gäste